MRAC for a Two-Link Manipulator
Model Reference Adaptive Control (MRAC) simulation for trajectory tracking and parameter estimation of a nonlinear two-link robotic arm in MATLAB/Simulink.
System Overview

Two-link manipulator model with joint angles \( q_1, q_2 \), link lengths \( L_1, L_2 \), and payload \( m_p \).
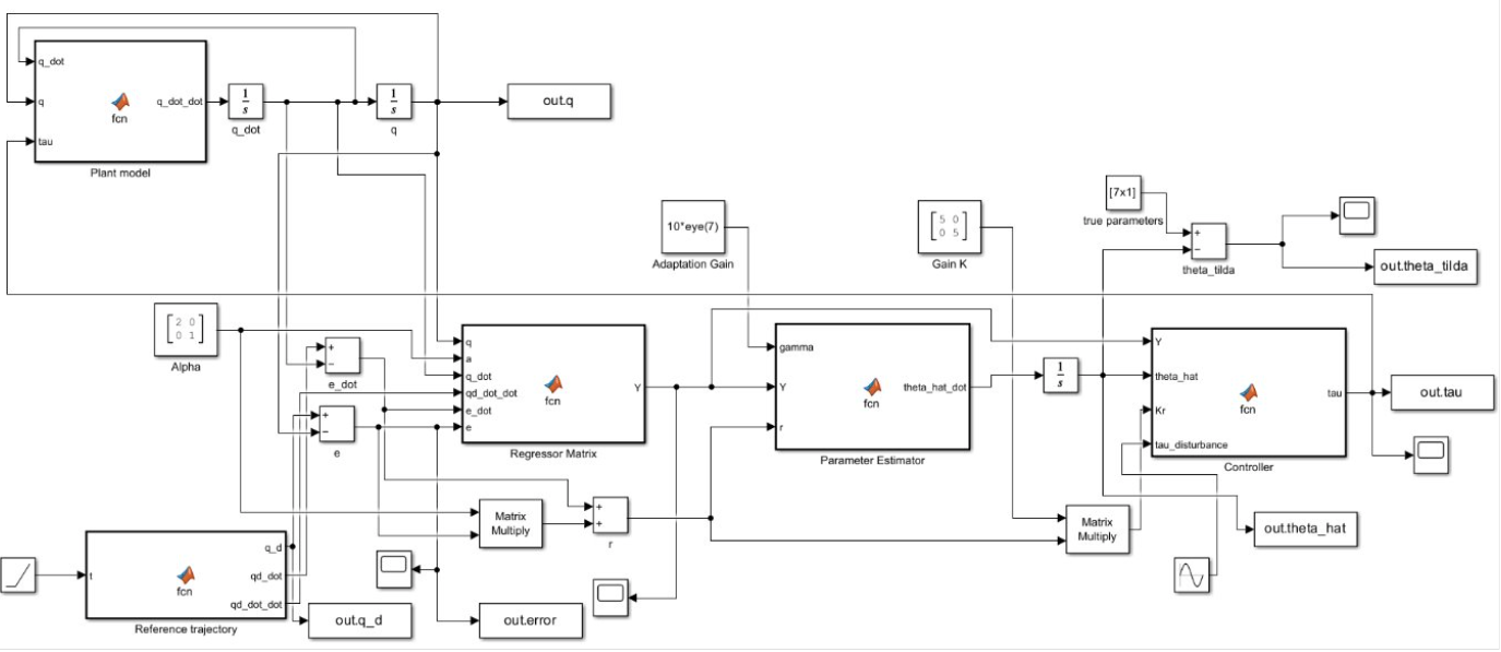
MRAC Simulink Model

Simulink implementation of the MRAC architecture showing the plant model, regressor matrix, parameter estimator, and adaptive controller.
Simulation Results
Tracking Performance without Disturbance

Joint position tracking errors for \( q_1 \) and \( q_2 \) converge to zero, demonstrating successful adaptation.
Tracking under Disturbance


Desired vs. actual joint trajectories under sinusoidal disturbance input \( \tau_d = \sin(20t) \). The adaptive controller maintains stable tracking despite external perturbations.
Key Outcomes
- Achieved accurate trajectory tracking and parameter adaptation for both joints.
- Verified stability using Lyapunov analysis.
- Demonstrated robustness against high-frequency sinusoidal disturbances.
Tools: MATLAB, Simulink
Course: ME780A — System Identification & Adaptive Control